Ang sistema ng Combi wall ay isang pagsasama ngbakal na tambak na bakalat H piles o Tubular Pipe Piles, na maaaring magbigay ng mataas na pagganap ng seksyon - mas mataas na seksyon ng modulus sa mga proyekto. Ang mga sistema ng Combi wall ay madalas na ginagamit sa mga proyekto ng konstruksyon sa daungan, Port, Shipyard at Dock kung saan may mga kinakailangang mahabang mga produkto ng pagtatambak.
Ang sheet pile combi wall ay maaaring maiuri sa mga sumusunod na kategorya:
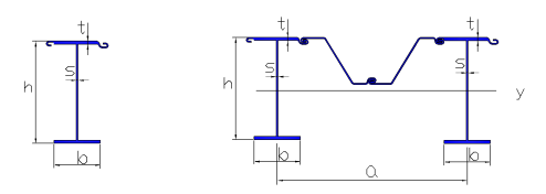
1. HZ combi wall: Nangangahulugan ito ng isang kumbinasyon ng H piles (SLHZ880MA, SLHZ880MB, SLHZ880MC, SLHZ1080MA, SLHZ1080MB, SLHZ1080MC, SLHZ1080MD, SLHZ1180MB, SLHZ1180MC, SLHZ1180MD) at Z sheet piles. Maaari ring mapalitan ang mga piles ng Z ng mga uri ng piles ng uri ng U at uri ng omegamga butas ng sheet.
T siya ay may piles ay magkakaroon ng isang interlocking system upang ikonekta ang mga sheet ng sheet.

2. OZ combi wall: Nangangahulugan ito ng isang kombinasyon ng Tubular Pipe Piles (SSAW / SAWH Pipe Piles) at Z sheet piles. Ang Z piles ay maaaring mapalitan din ng mga uri ng piles ng uri ng U at mga omega type sheet na piles.
I Ang mga nterlocks ay mai-welded sa tubular pipe na mga piles upang ang mga tubular pipe ay maaaring kumonekta sa Zmga butas ng sheet.

Shunli Steel Group, bilang pinakamalaking at nangunguna tagagawa ngbakal na tambak na bakalang mga pader ng combi sa China, ay nag-aalok ng iba't ibang mga solusyon sa combi wall sa kanyang mga kliyente:
a. HZ Combi Wall
Hindi lamang maialok ni Shunli ang mga Z piles ngunit paggawa rin ng mga piles ng H na may mga interlocks. Parehong malamig na pinagsama-sama na mga interlocks at mainit na pinagsama C9 konektor ay magagamit sa mga kahilingan.
b. OZ Combi Wall
May kasamang tatlong mga linya ng produksiyon ng SSAW / SAWH tubular pipe na mga tambak, si Shunli ay maaari ring magbigay ng tubular pipe na mga piles na may malamig na pinagsama na mga clutch at hot-pinagsama C9 konektor.
Para sa karagdagang impormasyon tungkol sa mga sheet ng sheet, tubular pipe na mga piles, konektor at combi wall, mangyaring huwag mag-atubiling makipag-ugnay sa Shunli Steel Group.